Rozdzielnice
 
Projektowanie 
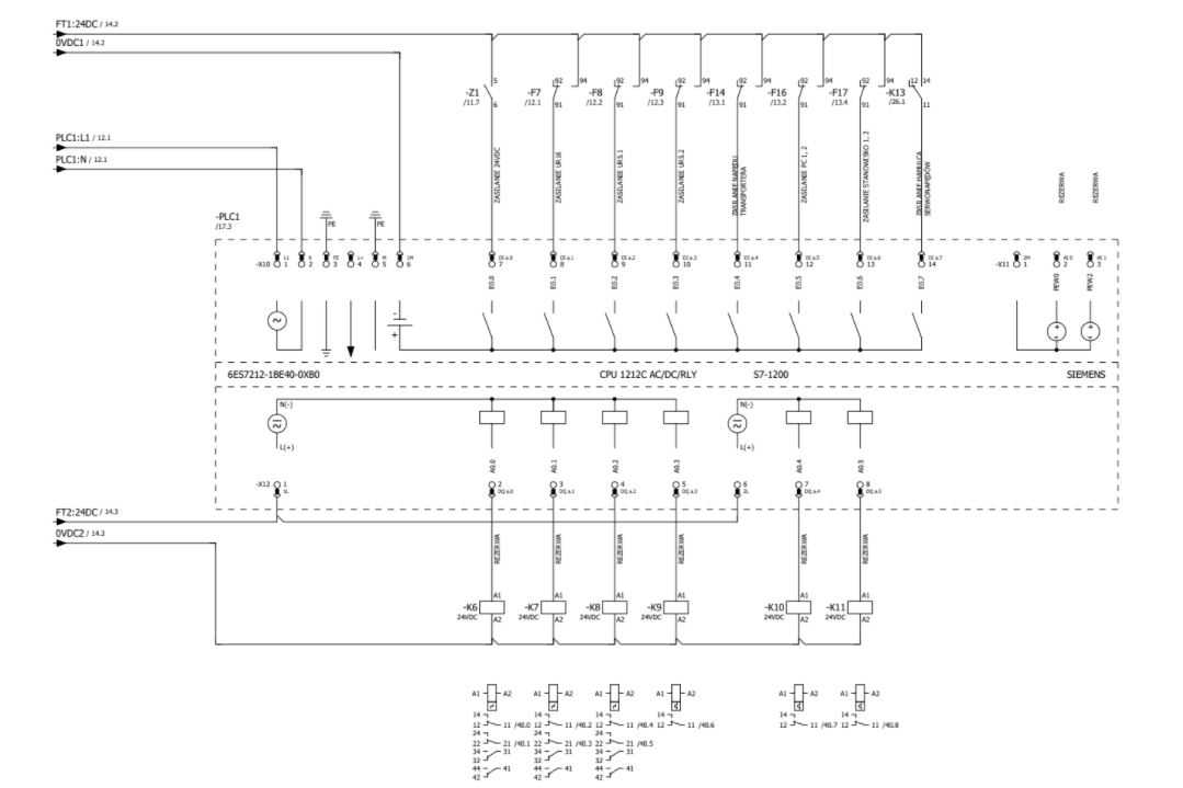
Nasi projektanci mogą przygotować dla Państwa dokumentację techniczną nawet najbardziej złożonych rozdzielnic.
Wykonanie 
Nasi specjaliści mogą wykonać dla Państwa rozdzielnicę zarówno według dostarczonej jak i stworzonej przez nas dokumentacji. Dodatkowo możemy ją przetransportować i podłączyć w miejscu docelowym.